3PEAK推出TPS42Q20Q汽车级四通道高压侧电源开关
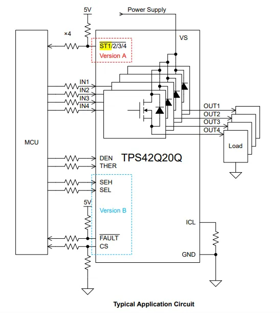
3PEAK推出TPS42Q20Q汽车级四通道高压侧电源开关,以高集成与高精度赋能多负载系统,在汽车车身控制、ADAS传感系统及工业自动化设备中,多路负载的独立驱动与精准电源管理是提升系统集成度与可靠性的关键。思瑞浦(3PEAK)最新推出的TPS42Q20Q汽车级40V/160mΩ四通道高压侧电源开关,以其四通道独立控制、高精度电流检测与多重故障保护能力,为多负载场景提供了高度集成与安全可靠的电源驱动解决方案。

一、汽车级高可靠性设计,满足严苛环境要求
TPS42Q20Q严格遵循车规标准,具备出色的环境适应性与驱动能力:
宽压工作范围:支持4V至40V输入电压,耐受48V负载突降
低温漂导通电阻:160mΩ@25°C,高温下仍保持260mΩ@150°C的低阻值
独立四通道控制:IN1–IN4支持同步或异步驱动多路负载
增强散热封装:ETSSOP28封装热阻低至15°C/W,支持全通道并行工作
工作温度范围:-40°C至+125°C,通过AEC-Q100 Grade 1认证
二、精准电流检测与多重保护机制
TPS42Q20Q通过高精度检测与全方位保护,确保系统安全稳定运行:
1. 双版本诊断输出
AQ版本:独立故障指示(ST1–ST4),实时反馈开路/短路/过温异常
BQ版本:通道选择监测,CS引脚提供±3%@500mA电流检测精度
2. 负载自适应保护
阻性负载:可调限流0.5A–2.5A/通道,精度±15%@500mA
容性负载:±36V反压保护,1μs快速开环响应切断短路电流
感性负载:支持2.5A持续反向电流(60s内),保护电机/继电器类负载
3. 系统级安全机制
6kV ESD防护,过温自恢复/锁存模式可选
全局诊断使能(DEN引脚),禁用时功耗降至500nA
三、典型应用场景
TPS42Q20Q适用于多种需要多路负载驱动的场景:
汽车电子系统
车身控制模块:同步驱动车窗电机、座椅调节、车灯系统
ADAS传感单元:环视摄像头供电与短路保护
配电管理:区域控制器中的多路负载开关控制
工业自动化设备
多电机同步控制:机械臂、传送带电机驱动
分布式电源管理:IO模块、传感器集群供电
热管理模块:PTC加热器过载与限流保护
四、系统设计价值
TPS42Q20Q为多负载系统设计带来显著优势:
1. 提升系统集成度
单芯片替代4路分立驱动电路,节省PCB面积
高精度电流检测省去外部分流电阻
2. 增强系统可靠性
多重保护机制预防负载异常导致的系统故障
汽车级品质保障长期稳定运行
3. 优化能效与成本
关断模式待机电流仅0.5μA,适合常电系统
高集成度减少外围元件数量,降低BOM成本
总结
思瑞浦TPS42Q20Q四通道高压侧电源开关通过高集成度、精准电流检测和负载自适应保护,为汽车与工业多负载系统提供了高性能的电源驱动方案。其四通道独立控制与汽车级可靠性使其成为车身控制、ADAS系统及工业自动化设备的理想选择。
随着汽车电子架构向区域化方向发展,以及工业设备对多电机控制需求的增长,TPS42Q20Q有望在提升系统集成度、增强供电安全方面发挥关键作用。
同类文章排行
- TP181A1-CR零漂移双向电流感测放大器_TP181A1数据手
- TPB76200-TS3R用于48V电池组的高侧NFET驱动器(3PEAK)
- 3PEAK思瑞浦模拟IC产品选型手册
- LM393A-TSR/LM393-SR单电源或双电源电压比较器_现货
- 类比20位高性能ADC-ADX12x系列-类比半导体
- ADX112AMSOP10功耗低16位模数转换器(ADC)_中文资料
- TPW3157A-CR低电压5Ω单刀双掷模拟开关_TPW3157A规格书
- TPB4056A思瑞浦1A高输入电压单电池线性充电器芯片
- TPT3232E-SS3R收发器_TPT3232E-SS3R数据手册_正品现货
- TPT3232E-SO3R是IEC61000 ESD保护的3.0V至5.5V供电收发器
最新资讯文章
- 3PEAK思瑞浦推出TPR43xQ-S车规级精密并联基准芯片
- 3PEAK思瑞浦拟收购奥拉股份86.12%股权构建AI与数据
- 3PEAK思瑞浦推出TPS05S60精密可调限流负载开关
- 3PEAK思瑞浦推出TPA170C高共模输入电流检测比较器
- 3PEAK思瑞浦TPC2221高精度16位DAC_TPC2221中文资料
- TP1961-TR(3PEAK):高性能比较器芯片的卓越之选
- TP1541A-TR 3PEAK精密轨到轨输入输出运算放大器
- TPA191A2-SC6R电流检测放大器_TPA191A2中文资料
- TPT481L1-DF6R RS-485收发器:工业级数据传输可靠保障
- LMV358B-SR双通道/低功耗/轨到轨输出运算放大器
- TPR3530-S3TR 3PEAK思瑞浦串联型电压基准IC规格书
- 3PEAK TPL740F33-5TR低压LDO:精准稳压赋能低功耗产品
- TPT29617A-VS1R电平转换器:跨域信号传输的可靠桥梁
- LM321A-TR 3PEAK高压运算放大器_LM321A-TR规格书
- TPT3232E-TS3R思瑞浦RS232收发器:串口通信的稳定传输
- TPW4054-VR信号切换高效灵活核心3PEAK通用模拟开关
- 帝奥微DIO2351ST5高精度运算放大器_DIO2351ST5规格书
- TP181A2-CR高精度宽共模范围电流感应放大器规格书
- TPA6581-DF0R|思瑞浦5V轨到轨输入/输出运算放大器
- 思瑞浦荣登空调整机国产芯片用量家电智能升级









