3PEAK推出TPT29606电平转换芯片以高兼容性与高可靠
3PEAK推出TPT29606电平转换芯片,以高兼容性与高可靠性赋能多总线通信系统,在服务器、路由器、存储设备及PC等现代电子系统中,不同电压域间的可靠通信是确保系统稳定运行的关键。思瑞浦(3PEAK)最新推出的TPT29606电平转换芯片,凭借其0.72V超低工作电压、多协议兼容性与自动方向检测等核心特性,为I3C、I2C、SPI等总线应用提供了高效、可靠的电平转换解决方案。

一、超低电压与高兼容性,拓宽应用场景
TPT29606在电压适应性与协议兼容性方面实现显著突破:
超低工作电压:VCCA与VCCB支持0.72V至1.98V输入,完美适配新一代低功耗处理器接口
多协议兼容:全面支持I3C、I2C、SPI、SMBus及PMBus等多种通信协议
高速传输能力:支持I3C 12.5MHz与SPI 26MHz高速通信,满足高带宽应用需求
宽温工作范围:-40°C至125°C,适应工业与消费类全场景应用
二、智能方向检测与电气隔离,简化系统设计
TPT29606通过智能控制与隔离机制,大幅降低设计复杂度:
1. 自动方向检测
内置自动方向识别电路,无需外部方向控制信号
VCCA与VCCB无上电时序要求,提升系统可靠性
支持实时双向数据传输,实现真正即插即用
2. 电气隔离功能
OE使能引脚或任意VCCx断电时,所有I/O自动进入高阻状态
有效隔离异常电压域,防止反向电流损坏器件
关断模式下静态电流降至μA级,优化系统功耗
3. 集成加速电路
内置上升/下降沿加速电路,提升信号边沿速度
集成10kΩ智能上拉电阻,I3C应用中无需外置上拉
动态电阻管理,低电平时自动禁用上拉以降低功耗
三、增强系统鲁棒性,保障长期可靠性
TPT29606通过强化防护设计,确保系统在严苛环境下稳定运行:
高ESD防护等级:HBM模式±7kV,CDM模式±1.5kV
优异抗闩锁能力:Latch-up耐受高达±600mA
过冲耐受设计:2.5V极限耐压,防止输入过冲导致失效
双封装选项:SOT23-8与DFN1.4×1-8,满足不同空间需求
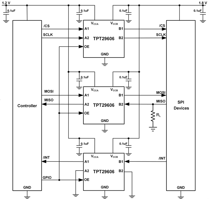
四、典型应用场景
TPT29606适用于多种通信总线接口转换场景:
数据中心与服务器
处理器与外围设备间的I3C/I2C通信桥接
BMC与各模块的SPI通信电平转换
内存模块与控制器接口匹配
网络通信设备
路由器/交换机芯片间通信接口
光模块数字诊断接口电平转换
网络处理器与PHY芯片连接
消费电子与工业控制
移动设备传感器I3C接口
工业PLC通信模块电平隔离
嵌入式系统多电压域通信
五、系统设计价值
TPT29606为系统设计带来多重优势:
设计简化
自动方向检测消除控制逻辑设计
集成上拉电阻减少外围元件数量
无上电时序要求降低电源设计复杂度
性能提升
高速传输支持提升系统通信效率
低传输延迟确保实时性要求
优化的信号完整性改善通信质量
可靠性增强
高ESD防护提升系统抗干扰能力
电气隔离机制预防异常传播
宽温度范围保障全环境稳定性
总结
思瑞浦TPT29606电平转换芯片通过超低工作电压、多协议兼容和智能方向检测,为现代电子系统提供了高效可靠的接口转换解决方案。其高集成度设计与增强的防护特性,使其在服务器、网络设备及工业控制等领域展现出显著优势。
随着I3C总线在新一代电子系统中的快速普及,以及系统对多电压域通信需求的持续增长,TPT29606有望成为接口电平转换的重要选择,助力系统实现更高性能与更优可靠性。
同类文章排行
- TP181A1-CR零漂移双向电流感测放大器_TP181A1数据手
- TPB76200-TS3R用于48V电池组的高侧NFET驱动器(3PEAK)
- 3PEAK思瑞浦模拟IC产品选型手册
- LM393A-TSR/LM393-SR单电源或双电源电压比较器_现货
- 类比20位高性能ADC-ADX12x系列-类比半导体
- ADX112AMSOP10功耗低16位模数转换器(ADC)_中文资料
- TPW3157A-CR低电压5Ω单刀双掷模拟开关_TPW3157A规格书
- TPB4056A思瑞浦1A高输入电压单电池线性充电器芯片
- TPT3232E-SS3R收发器_TPT3232E-SS3R数据手册_正品现货
- TPT3232E-SO3R是IEC61000 ESD保护的3.0V至5.5V供电收发器
最新资讯文章
- 3PEAK思瑞浦推出TPR43xQ-S车规级精密并联基准芯片
- 3PEAK思瑞浦拟收购奥拉股份86.12%股权构建AI与数据
- 3PEAK思瑞浦推出TPS05S60精密可调限流负载开关
- 3PEAK思瑞浦推出TPA170C高共模输入电流检测比较器
- 3PEAK思瑞浦TPC2221高精度16位DAC_TPC2221中文资料
- TP1961-TR(3PEAK):高性能比较器芯片的卓越之选
- TP1541A-TR 3PEAK精密轨到轨输入输出运算放大器
- TPA191A2-SC6R电流检测放大器_TPA191A2中文资料
- TPT481L1-DF6R RS-485收发器:工业级数据传输可靠保障
- LMV358B-SR双通道/低功耗/轨到轨输出运算放大器
- TPR3530-S3TR 3PEAK思瑞浦串联型电压基准IC规格书
- 3PEAK TPL740F33-5TR低压LDO:精准稳压赋能低功耗产品
- TPT29617A-VS1R电平转换器:跨域信号传输的可靠桥梁
- LM321A-TR 3PEAK高压运算放大器_LM321A-TR规格书
- TPT3232E-TS3R思瑞浦RS232收发器:串口通信的稳定传输
- TPW4054-VR信号切换高效灵活核心3PEAK通用模拟开关
- 帝奥微DIO2351ST5高精度运算放大器_DIO2351ST5规格书
- TP181A2-CR高精度宽共模范围电流感应放大器规格书
- TPA6581-DF0R|思瑞浦5V轨到轨输入/输出运算放大器
- 思瑞浦荣登空调整机国产芯片用量家电智能升级









